Skip to main content
Empresa
Novidades
Produtos
Certificados
Contactos
Projetos Cofinanciados
Qualidade e Ambiente
Feiras e Missões
Empresa
Novidades
Produtos
Certificados
Contactos
Projetos Cofinanciados
Qualidade e Ambiente
Feiras e Missões
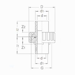
Junção F/M/F/M
Union F/M/F/M
Manchon union F/M/F/M
Enlace 3 piezas H/M/H/M
d
d1
D
G
I1
I2
Z1
Z2
Gr
Quant.
REF.
CAD
16
20
46
40x10
33
28
17
11
51
B 60
01051319003
25
32
67
53x8
42
35
19
12
126
B 20
01051319009
40
50
88
74x8
57
49
25
14
276
01051319015
50
63
106
90x8
65
56
27
17
460
C 24
01051319019
Caract. (PDF)
Porcas de junção
Union nuts
Ecrous
Tuercas enlace
d
G
I
D
Gr
REF.
20
40x10
22
46
19
01011118012
32
53x8
28
67
56
01011118100
50
74x8
31
88
90
01011118150
63
90x8
38
106
151
01011118200
Caract. (PDF)
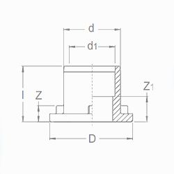
Terminais de junção lisos M/F
Union ends M/F
Pièces folles M/F
Manguitos enlace M/H
d
d1
D
I
Z
Z1
Gr
REF.
20
16
36
28
11
17
9
01051313003
32
25
50
35
12
16
24
01051313009
50
40
69
49
14
23
72
01051314015
63
50
83
56
17
24
118
01051314019
Caract. (PDF)
Terminais de junção roscados M/F
Union bushes M/F
Pièces folles filetées M/F
Manguitos enlace rosca macho M/H
d
d1
I
G
Z
Z1
F
H
E
Gr
REF.
20
16
33
40x10
17
19
4.3
2.5
28.4
20
01051317003
32
25
42
53x8
19
23
4.6
2.5
39.6
46
01051317009
50
63
57
74x8
25
29
7
4
57
110
01051317015
63
50
65
90x8
27
34
7
4
70
183
01051317019
Caract. (PDF)
Vedantes
O' ring gaskets
Joints toriques
Juntas
D
d
I
REF.
28.86
21.80
3.53
40908093011
39.96
32.90
3.53
40908093016
57.65
46.99
5.33
40908093024
70.36
59.69
5.33
40908093030
Caract. (PDF)