Skip to main content
Empresa
Novidades
Produtos
Certificados
Contactos
Projetos Cofinanciados
Qualidade e Ambiente
Feiras e Missões
Empresa
Novidades
Produtos
Certificados
Contactos
Projetos Cofinanciados
Qualidade e Ambiente
Feiras e Missões
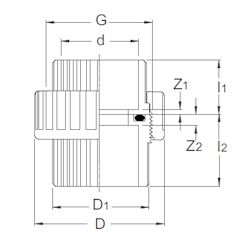
Junção para piscina F/F
Union for pool F/F
Manchon union pour piscine F/F
Enlace 3 piezas para piscina H/H
d
G
I1
I2
Z1
Z2
D
D1
Gr
PN
Quant
REF.
CAD
20
1"
20
27
4
10
40
27
33
10
B 100
01051278020
25
1" ¼
22
28
3
9
51
35
62
10
B 50
01051278025
32
1 " ½
27
31
4
8
57
41
77
10
B 30
01051278032
40
2 "
30
36
3
8
71
49
146
10
C 75
01051278040
50
2" ¼
34
46
3
15
77
59
170
10
C 60
01051278050
63
2 " ¾
42
52
3
14
95
74
295
10
C 36
01051278063
75
3 " ½
48
57
4
13
115
91
515
10
C 16
01051278075
90
4"
59
66
7
14.5
129
104
690
10
C 12
01051278090
110
5"
67
79
5.5
17.5
165
129
1310
4
C 6
01051278110
Caract. (PDF)
Porca de junção para piscina
Union nut for pool
Ecrou pour piscine
Tuerca enlace para piscina
d
G
I
D
Gr
REF.
" ½
1"
20
40
13
01011274012
" ¾
1" ¼
23
51
23
01011274034
1"
1 " ½
25
57
28
01011274100
1" ¼
2"
27
71
47
01011274114
1" ½
2" ¼
30
77
60
01011274150
2"
2 " ¾
37
93
97
01011274200
2" ½
3 " ½
45
115
163
01011274250
3"
4"
45
132
245
01011274300
4"
5"
59
165
525
01011274400
Caract. (PDF)
Terminal de junção liso para piscina
Union end for pool
Pièce folle pour piscine
Manguito enlace para piscina
d
I
A
D
Z
Gr
REF.
20
20
29.5
27
3
8
01051275020
25
23
33
30
3
16
01051275025
32
26
39
36
3
20
01051275032
40
30
56
48
3
31
01051275040
50
34
62
59
3
41
01051275050
63
41
78
74
3
77
01051275063
75
49
97
91
5
144
01051275075
90
59
109
104
7
200
01051275090
110
67
135.5
129
7
337
01051275110
Caract. (PDF)
Terminal de junção roscado para piscina
Union bush for pool
Pièce folle filetée pour piscine
Manguito enlace para piscina
d
G
I
Z
E
F
H
D
Gr
REF.
20
1"
27
9
25.4
3
2
27
13
01051276020
25
1 " ¼
29
9
35.2
4.5
2.5
35
23
01051276025
32
1 " ½
31
9
39.8
4.5
2.5
41
29
01051276032
40
2 "
41
13
50.8
7
4
52
52
01051276040
50
2" ¼
45
14
57
7
4
59
60
01051276050
63
2 " ¾
52
14
70
7
4
74
110
01051276063
75
3 " ½
57
13
85
7
4
91
202
01051276075
90
4"
66
14.5
102
7
4
104
245
01051276090
110
5 "
76
14.5
124
7
4
128
432
01051276110
Caract. (PDF)
Vedante
O' ring gasket
Joint torique
Junta
D
d
I
REF.
25.64
20.30
2.62
40908093106
35.23
28.17
3.53
40908093014
39.96
32.90
3.53
40908093016
51.30
40.64
5.33
40908093018
57.65
46.99
5.33
40908093024
70.36
59.69
5.33
40908093030
85.29
74.63
5.33
40908093055
102.10
91.44
5.33
40908093056
124.33
113.67
5.33
40908093057
Caract. (PDF)