Skip to main content
Empresa
Novidades
Produtos
Certificados
Contactos
Projetos Cofinanciados
Qualidade e Ambiente
Feiras e Missões
Empresa
Novidades
Produtos
Certificados
Contactos
Projetos Cofinanciados
Qualidade e Ambiente
Feiras e Missões
Junção para piscina F/M
Union for pool F/M
Manchon union pour piscine F/M
Enlace 3 piezas para piscina H/M
d
G
G1
D
I
Z
I1
Z1
S
Gr
PN
Quant.
REF.
CAD
20
½
1"
40
39
25
20
3
22
38
10
B 90
01101279005
25
"¾
1 " ¼
51
43
27
23
3
29
62
10
B 50
01101279006
32
1"
1 " ½
57
49
30
26
3
36
79
10
B 30
01101279007
40
1 "¼
2"
71
52
31
30
3
46
161
10
C 70
01101279008
50
1 "½
2" ¼
77
62
40
34
3
50
195
10
C 60
01101279009
50
2"
2" ¼
77
62
36
34
3
61
217
10
C 50
01101279019
63
2"
2 " ¾
93
68
42
41
3
65
336
10
C 36
01101279010
Caract. (PDF)
Porcas de junção para piscinas
Union nuts for pools
Ecrous pour piscines
Tuercas enlace para piscinas
d
G
I
D
Gr
REF.
" ½
1"
20
40
13
01011274012
" ¾
1" ¼
23
51
23
01011274034
1"
1 " ½
25
57
28
01011274100
1" ¼
2"
27
71
47
01011274114
1" ½
2" ¼
30
77
60
01011274150
2"
2 " ¾
37
93
97
01011274200
Caract. (PDF)
Terminais de junção lisos para piscinas
Union ends for pools
Pièces folles pour piscines
Manguitos enlace para piscinas
d
I
A
D
Z
Gr
REF.
20
20
29.5
27
3
8
01051275020
25
23
33
30
3
16
01051275025
32
26
39
36
3
20
01051275032
40
30
56
48
3
31
01051275040
50
34
62
59
3
41
01051275050
63
41
78
74
3
77
01051275063
Caract. (PDF)
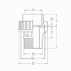
Terminais de junção roscados para piscinas
Union bushes for pools
Pièces folles filetées pour piscines
Manguitos enlace para piscinas
G
G1
I
Z
E
F
H
S
Gr
REF.
" 1/2
1"
39
25
25,4
3
2
22
15
01011303012
"3/4
1" 1/4
43
27
35,2
4,5
2,5
29
25
01011303034
1"
1" 1/2
49
30
39,8
4,5
2,5
36
38
01011303100
1" 1/4
2"
52
31
50,8
7
4
46
66
01011303114
1" 1/2
2" 1/4
62
40
57
7
4
50
80
01011303150
2"
2" 1/4
62
36
57
7
4
61
95
01011303019
2"
2" 3/4
68
42
70
7
4
65
155
01011303200
Caract. (PDF)
Vedantes
O' ring gaskets
Joints toriques
Juntas
D
d
I
REF.
25.64
20.30
2.62
40908093106
35.23
28.17
3.53
40908093014
39.96
32.90
3.53
40908093016
51.30
40.64
5.33
40908093018
57.65
46.99
5.33
40908093024
70.36
59.69
5.33
40908093030
Caract. (PDF)