Skip to main content
Empresa
Novidades
Produtos
Certificados
Contactos
Projetos Cofinanciados
Qualidade e Ambiente
Feiras e Missões
Empresa
Novidades
Produtos
Certificados
Contactos
Projetos Cofinanciados
Qualidade e Ambiente
Feiras e Missões
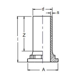
Terminal soldar topo a topo PE
PE union end
Embout PE
Manguito PE
d
I
A
S
Z
Gr
Quant.
REF.
CAD
20
67
36
2.5
52
13
A 30
05615359020
NEW
25
73
43
2.5
56
20
A 14
05615360025
25
73
50.5
2.5
56
22
A 14
05615359025
32
73
50.5
3
56
26
A 14
05615359032
40
79
73
3.7
60
56
B 30
05615359040
50
88
73
4.6
62
78
B 20
05615359050
63
100
88
5.8
75
133
B 10
05615359063
Caract. (PDF)