Skip to main content
Empresa
Novidades
Produtos
Certificados
Contactos
Projetos Cofinanciados
Qualidade e Ambiente
Feiras e Missões
Empresa
Novidades
Produtos
Certificados
Contactos
Projetos Cofinanciados
Qualidade e Ambiente
Feiras e Missões
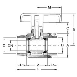
Válvula compacta - PVC-U
(British Standard)
PVC-U - Compact valve
(British Standard)
Vanne compacte - PVC-U
(British Standard)
Válvula compacta - PVC-U
(British Standard)
01551400000
01551401000
D
DN
A
B
C
L
L1
Z
M
S
Gr
Quant
REF.
"1/2
15
38
46
16
65
17
32
35
27
62
B 45
01551400020
"3/4
25
53
71
25
85
19
51
54
37
182
C 75
01551400025
1"
25
53
71
25
93
23
49
54
44
190
C 50
01551400032
1"1/4
40
81
93
30
118
27
65
65
53
455
C 20
01551400040
1"1/2
40
81
93
30
118
31
64
65
60
465
C 20
01551400050
2"
50
97
107
31
133
38
75
74
74
740
C 20
01551400063
2"1/2
65
132
122
33
190
44
118
100
93
1750
C 4
01551401075
3"
80
151
148
41
225
51
126
123
107
2540
C 3
01551401090
Caract. (PDF)