Skip to main content
Empresa
Novidades
Produtos
Certificados
Contactos
Projetos Cofinanciados
Qualidade e Ambiente
Feiras e Missões
Empresa
Novidades
Produtos
Certificados
Contactos
Projetos Cofinanciados
Qualidade e Ambiente
Feiras e Missões
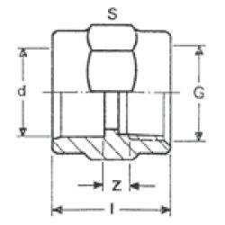
Uniões fêmea/fêmea NPT
Sockets female/female NPT
Manchons femelle/femelle NPT
Manguitos hembra/hembra NPT
d
G
S
I
Z
Gr
Quant.
REF.
20
"1/2
32
36
4
23
B 130
01101007005
25
"3/4
38
40
4
34
B 90
01101007006
32
1 "
46
46
2.5
41
B 50
01131007007
40
1"1/4
55
50
7
71
B 40
01131007008
50
1" 1/2
64
55
8
108
B 30
01131007009
63
2 "
80
65
9
169
B 18
01131007010
75
2"1/2
90
80
5
195
B 9
01131007011
90
3"
107
93
8
332
B 6
01131007012
110
4"
130
110
8
555
C 12
01131007013
Caract. (PDF)