Skip to main content
Empresa
Novidades
Produtos
Certificados
Contactos
Projetos Cofinanciados
Qualidade e Ambiente
Feiras e Missões
Empresa
Novidades
Produtos
Certificados
Contactos
Projetos Cofinanciados
Qualidade e Ambiente
Feiras e Missões
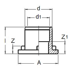
Terminal macho/fêmea
Male/female union end
Pièce folle mâle/femelle
Manguito enlace encolar macho/hembra
D
D1
I
A
Z
Z1
Gr
Quant.
REF.
40
32
49
74.5
22
26
66
B 30
01611315012
50
40
49
74.5
14
22
78
B 30
01611315015
63
50
55.5
90
17
24
130
B 20
01611315019
Caract. (PDF)