Skip to main content
Enterprise
News
Products
Certificate
Contacts
Co-financed Projects
Quality & Environment
Fairs & Missions
Enterprise
News
Products
Certificate
Contacts
Co-financed Projects
Quality & Environment
Fairs & Missions
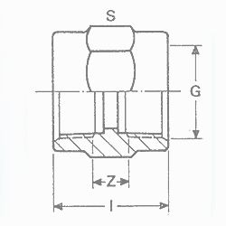
União simples
Socket
Manchon
Manguito union
G
I
Z
S
Gr
QUANT.
REF.
CAD
" 1/2
36
8
32
23
B 130
01011005012
"3/4
39
8
38
34
B 90
01011005034
1"
45
9
46
52
B 50
01011005100
1" 1/4
50
10
55
72
B 40
01011005114
1" 1/2
55
15
64
120
B 30
01011005150
2"
65
15
78
200
B 18
01011005200
2" 1/2
70
8
92
190
B 9
01011005250
3"
77
10
112
330
B 6
01011005300
4"
130
52
129
626
C 12
01011005400
Caract. (PDF)