Accéder au contenu principal
Entreprise
Nouvelles
Produits
Certificats
Contacts
Projets Cofinancés
Qualité et Environnement
Foires et missions
Entreprise
Nouvelles
Produits
Certificats
Contacts
Projets Cofinancés
Qualité et Environnement
Foires et missions
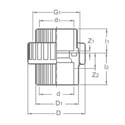
Junções para piscinas BS/MM
Unions for pools BS/MM
Manchons union pour piscines BS/MM
Enlaces 3 piezas para piscinas BS/MM
d
d1
G1
D
D1
I1
I2
Z1
Z2
Gr
Quant.
REF.
" ½
20
1"
40
27
20
27
3
10
33
B 100
01091278005
" ¾
25
1 " ¼
51
35
23
29
3
10
62
B 40
01091278006
1"
32
1 " ½
57
41
27
31
3
10
79
B 30
01091278007
1"¼
40
2 "
71
52
30
41
3
22
146
C 75
01091278008
1”½
50
2" ¼
77
59
34
45
3
22
184
C 60
01091278009
2”
63
2 " ¾
93
74
41
52
3
25
325
C 36
01091278010
3”
90
4"
132
104
59
66
7
31
750
C 12
01091278012
4”
110
5”
165
129
50
76
15
37
1200
C 6
01091278013
Caract. (PDF)
Porcas de junção para piscinas
Union nuts for pools
Ecrous pour piscines
Tuercas enlace para piscinas
d
G
I
D
Gr
REF.
" ½
1"
20
40
13
01011274012
" ¾
1 " ¼
23
51
23
01011274034
1"
1 " ½
25
57
28
01011274100
1"¼
2 "
27
71
47
01011274114
1”½
2" ¼
30
77
60
01011274150
2”
2 " ¾
37
93
97
01011274200
3”
4"
45
132
245
01011274300
4"
5"
59
165
525
01011274400
Caract. (PDF)
Terminais de junção lisos para piscinas
Union ends for pools
Pièces folles pour piscines
Manguitos enlace para piscinas
d
I
A
D
Z
Gr
REF.
20
20
29.5
27
3
8
01051275020
25
23
33
30
3
16
01051275025
32
26
39
36
3
20
01051275032
40
30
56
48
3
31
01051275040
50
34
62
59
3
41
01051275050
63
41
78
74
3
77
01051275063
90
59
109
104
7
200
01051275090
110
67
135.5
129
7
337
01051275110
Caract. (PDF)
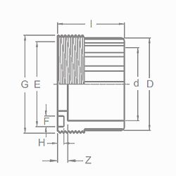
Terminais de junção roscados para piscinas
Union bushes for pools
Pièces folles filetées pour piscines
Manguitos enlace para piscinas
d
G
I
Z
E
F
H
D
Gr
REF.
" ½
1"
27
9
25.4
3
2
27
12
01071276012
" ¾
1 " ¼
29
9
35.2
4.5
2.5
35
21
01071276034
1"
1 " ½
31
9
39.8
4.5
2.5
41
26
01071276100
1"¼
2 "
41
13
50.8
7
4
52
54
01071276114
1”½
2" ¼
45
14
57
7
4
59
67
01071276150
2”
2 " ¾
52
14
70
7
4
74
127
01071276200
3”
4"
66
14.5
102
7
4
104
260
01071276300
4"
5"
76
14.5
124
7
4
128
380
01071276400
Caract. (PDF)